當前位置:首頁>>產品中心>>計量泵

J-Z型不銹鋼柱塞式計量泵

  • 質量穩定:全程質量監控,細致入微,全方位檢測,保證產品質量!
  • 交貨快捷:先進生產流水線,備貨充足,常規產品全部倉庫現貨供應!
  • 專業定制:高級工程師專業選型報價,各種材質非標產品皆可洽談定做!
銷售熱線 023-68691718
  • 產品概述
  • 性能參數
  • 適用范圍
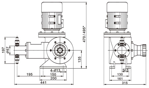
  • 安裝尺寸
  • 文檔下載

J-Z型柱塞式計量泵--產品概述

 

1、與介質直接接觸部位全采用不銹鋼及四氟材質。過流適應一般顆粒,無毒無味。

2、雙泵頭結構,經濟實用,占地面積小,性能優越。

3、易損部件全部經過特殊化處理,質量保證。

4、內部配置性能卓越的調節器總成,延長泵的使用壽命,并降低了噪音。

5、定量輸出,在泵運行或停止時也可任意調節流量,精密度高可達正負百分之一。

6、吐出壓力最高一款系列可達500KG。

 

J-Z型柱塞式計量泵--工作原理

 

◆ 通過柱塞的往復運動直接將工作介質(黃色)吸入和排出。由于柱塞和密封都接觸介質的情況下,選擇合適的柱塞材質和密封形式可保證泵在運轉過程中具有理想的性能。

 

◆ 柱塞計量泵泵頭結構簡單、經濟、計量精度高,需要選擇和維護好密封。柱塞和密封之間橫向自動對中性確保二者之間磨損小。 柱塞材質有不銹鋼、氧化陶瓷,氧化陶瓷具有耐腐蝕和硬度高耐磨的特點。

 

J-Z型柱塞式計量泵--產品優點

 

◆ 高性價比、自吸性能好 、死角空間小、特殊設計的閥

 

◆ 加熱/冷卻夾套

 

◆ 密封沖洗結構

 

◆ 特殊設計的密封

 

◆ 一種可選項:頭整體帶保溫夾套,閥易拆卸

 

J-Z型柱塞式計量泵--技術參數

 

◆ 單頭最大流量:50000L/h

 

◆ 最高排出壓力:50MPa

 

◆ 穩態精度±1%

 

◆ 介質粘度:0-800mm²/s

 

◆ 輸送介質溫度可達450°C以上



型號

流量(L/H)

壓力(Mpa)

柱塞直徑(mm)

行程(mm)

泵速(mm)

電機功率(kw)

進出口徑(DN)

重量(kg)

J-Z 6/40

6

40

8

25

96

0.75

6

42

J-Z 6/32

6

32

0.55

J-Z 10/25

10

25

10

0.75

J-Z 10/20

10

20

0.55

J-Z 15/20

15

20

12

0.75

J-Z 15/16

15

16

0.55

J-Z 25/10

25

10

16

0.75

J-Z 25/8.0 

25

8.0

0.55

J-Z 40/8.0

40

8.0

20

0.75

J-Z 40/6.3

40

6.3

0.55

J-Z 60/5.0 

60

5.0

25

0.75

10

45

J-Z 65/4.0

65

4.0

0.55

J-Z 80/4.0

80

4.0

28

0.75

J-Z 80/2.5

80

2.5

0.55

J-Z 100/4.0

100

4.0

32

0.75

J-Z 110/2.5

110

2.5

0.55

J-Z 130/2.3

130

2.3

35

0.75

J-Z 130/1.7

130

1.7

0.55

J-Z 160/2.0

160

2

38

0.75

15

50

J-Z 160/1.5

160

1.5

0.55

J-Z 190/1.6

190

1.6

42

0.75

J-Z 190/1.2

190

1.2

0.55

J-Z 270/1.1

270

1.1

50

0.75

J-Z 270/0.8

270

0.8

0.55

J-Z 330/1.0

330

1.0

55

0.75

J-Z 330/0.6

330

0.6

0.55

J-Z 400/1.0

400

1.0

60

0.75

J-Z 400/0.5

400

0.5

0.55

J-Z 470/0.6

470

0.6

65

0.75

J-Z 470/0.4

470

0.4

0.55

 



J-Z型柱塞式計量泵適用于石油、石化/化工工藝過程中高壓力大流量工況要求,或危險化學品注入及輸送陸地及海上石油天然氣撬裝系統,核電、軍工等特殊工藝應用環保、醫藥、造紙、食品其它行業的關鍵過程。



·相關產品
·相關文章
·最新文章