當前位置:首頁>>產品中心>>計量泵

JYZR型液壓隔膜式計量泵

  • 質量穩定:全程質量監控,細致入微,全方位檢測,保證產品質量!
  • 交貨快捷:先進生產流水線,備貨充足,常規產品全部倉庫現貨供應!
  • 專業定制:高級工程師專業選型報價,各種材質非標產品皆可洽談定做!
銷售熱線 023-68691718
  • 產品概述
  • 性能參數
  • 適用范圍
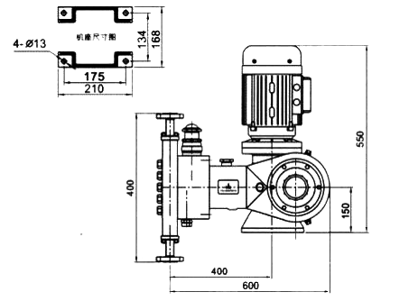
  • 安裝尺寸
  • 文檔下載

JYZR型液壓隔膜式計量泵--產品概述

 

液壓隔膜計量泵常用單聯的獨立參數提供用戶。也可根據用戶需要制造同機座同規格的多聯組合或不同機座不同規格組合。多聯式適用于工藝流程中需多種介質的比例配送。該泵可廣泛用于石油、化工、紡織、食品、造紙、原子能技術、電廠、塑料、制藥、水廠、環保等工業和科技部門。用來向加壓或常壓容器及管道內精確定量輸送不含固體顆粒的液體。其流量可以開機(或定機)時從0-100%范圍內無級調節。〔根據計量泵的特性,最少行程一般不小于總行程的10%〉單缸泵適用于單一液體的場合;組合泵可作比例泵使用,也可并聯使用;泵組合可作為三比例泵使用,也可三并聯,以達到較大排量,增高了液體的脈沖頻率,促使液體連續順暢加入;

 

    液壓隔膜式計量泵采用兩種調節方式:一是改變泵的柱塞行程長度,可在停機或運行狀態進行。計量精度在土1%以內,用于手動調節的有調量表,千分尺來指示柱塞相對行程值。二是采用變頻電機與變頻器組合,改變輸入的電源頻率調節泵速,改變流量大小。此方法適用于自動、遙控及計算管理調節方式。

 

JYZR型液壓隔膜式計量泵--技術參數

 

可調計量范圍:0-630L/H

最大壓力承受范圍:0-25MPa

驅動方式:電機驅動

控制方式:手動、自動控制 (可接收4-20mA信號來調節流量)

配置方式:泵頭保溫、冷卻、電機可配防爆

 

1、綜合了機械隔膜式與柱塞式計量泵的雙重優點。

2、噪音小,經久耐用。

3、吐出壓力最高一款系列可達500KG。

4、定量輸出,在泵運行或停止時也可任意調節流量,計量精確度到正負百分之一。

5、通過液壓及N型曲軸機構來傳遞動力,性能平穩。

泵頭部位材料工作條件
計量泵頭:SUS304、SUS316 環境溫度: -30℃ ##-90℃
計量閥: SUS304、SUS316 電機: 二相、三相標準電機或防爆電機
閥球: 二氧化硅、SUS304、SUS316、陶瓷、氧化鋯 功率:0.75KW 1.1KW 1.5KW
密封: 聚四氟乙烯 防護等級:IP54


JYZR型液壓隔膜式計量泵--注意事項

 

注意事項

1.計量泵使用前請在齒輪箱內加220#媧輪蝸桿油或50#齒輪油至油標,并在液壓油池內加L-HM32-46液壓油至油標。

2.計量泵開機之前一定要確保出口管路通暢(閥門全開〉。

3.計量泵要停止工作時先關閉計量泵,再關閉出口閥門。

4.計量泵電機接線一定要按照電機銘牌的電壓接線(380V或220V)。

5.不銹鋼管路接頭焊接時,切不可把焊渣或雜物掉入管路或閥體內(從而會造成計量泵不出水、壓力變小或流量變小)。

6.出口管路壓力一定要高于進口管路壓力,如果低于進口壓力,一定要加裝背壓閥, 防止產生虹吸。

7.出口管路口徑一定要大于或等于,相應計量泵的標配口徑。



型號

流量(L/H)

壓力(Mpa)

柱塞直徑(mm)

行程(mm)

泵速(mm)

電機功率(kw)

進出口徑(DN)

重量(kg)

JYZR 24/25

24

25

16

30

96

1.5

10

140

JYZR 24/16

24

16

1.1

JYZR 40/20

40

20

20

1.5

JYZR 40/10

40

10

1.1

JYZR 50/16

50

16

1.5

JYZR 50/8.0

50

8.0

1.1

JYZR 60/13

60

13

22

144

1.5

15

155

JYZR 60/6.3 

60

6.3

1.1

JYZR 80/10

80

10

1.5

JYZR 80/5.0

80

5.0

1.1

JYZR 100/8.0

100

8.0

25

1.5

JYZR 100/4.0

100

4.0

1.1

JYZR 110/9.0

110

9.0

1.5

JYZR 110/6.3

110

6.3

1.1

JYZR 125/6.3

125

6.3

32

96

1.5

JYZR 125/3.2

125

3.2

1.1

JYZR 160/5.0

160

5.0

36

1.5

JYZR 160/2.5

160

2.5

1.1

JYZR 200/4.0

200

4.0

40

1.5

JYZR 200/2.6

200

2.6

1.1

JYZR 250/3.2

250

3.2

45

1.5

20

162

JYZR 250/2.0

250

2.0

1.1

JYZR 320/2.3

320

2.3

50

1.5

JYZR 320/1.6

320

1.6

1.1

JYZR 400/2.0

400

2.0

55

1.5

JYZR 400/1.4 

400

1.4

1.1

JYZR 460/1.6 

460

1.6

60

1.5

JYZR 460/1.2

460

1.2

1.1

JYZR 500/1.4

500

1.4

63

144

1.5

JYZR 500/1.0

500

1.0

1.1

JYZR 750/1.4 

750

1.4

1.5

JYZR 750/1.0 

750

1.0

1.1




JYZR型液壓隔膜式計量泵被廣泛采用于易燃、易爆、易揮發、強腐蝕、放射性、劇毒、懸浮液以及昂貴的液體介質輸送;達到高壓加注液體目的。


·相關產品
·相關文章
·最新文章